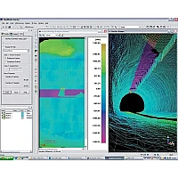
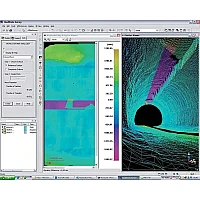
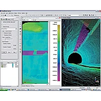
Программный комплекс для проведения работ с трехмерным облаком точек
Подробнее Программное обеспечение Trimble для сканирующих систем в Чите
Сначала популярные
Фильтры
Программный комплекс для проведения работ с трехмерным облаком точек
Подробнее Программный комплекс для проведения работ с трехмерным облаком точек
Подробнее Пакет офисного программного обеспечения.
Подробнее Программное обеспечение Trimble Inpho® предназначено для преобразования аэрофотоснимков и спутниковых снимков в облака точек и модели поверхности, ортофото мозаики и оцифрованные трехмерные объекты с использованием самых современных методов фотограмметрии.
Подробнее ПО следующего поколения для прямой географической привязки мобильных картографических датчиков с использованием GNSS и инерциальной технологии.
Подробнее Программное обеспечение Trimble MX поддерживает множество мобильных картографических данных - автономные изображения или изображения с облаками точек.
Подробнее Предназначен для визуализации, навигации и обработки больших мобильных картографических лазерных и графических данных.
Подробнее Программное обеспечение Trimble GEDO Scan Office Field работает на контроллере защищенного ПК Trimble Tablet.
Модульная система позволяет использовать сканер Trimble TX5, TX6, TX8 или Faro Focus 3 D
Cовместим с другими системами Trimble GEDO
Подробнее Сложно сделать выбор?
Мы поможем!
Закажите обратный звонок
Или звоните
8-800-551-11-01













































